一、竞赛名称
第六届“丝路工匠”国际技能大赛园林景观设计技术技能竞赛
二、竞赛项目、时间、地点
(一)竞赛项目
园林景观设计技术技能团体赛项,每队2人
(二)竞赛时间
2026年5月23日(周六),8:30--17:30
(三)赛场地点
北京农业职业学院长阳校区
地址:北京市房山区长阳镇稻田南里5号
三、竞赛目标
为深化“一带一路”倡议,完善国际交流与合作机制,推动“一带一路”沿线国家园林技术领域的教育合作与人才培养,借鉴国内国际经验,搭建技能交流平台,营造崇尚技能氛围,推进国际化、高水平技术技能人才培养,特举办本次“丝路工匠”国际技能大赛“园林景观设计”赛项。依据高素质技术技能人才培养要求,结合园林设计岗位对人才的知识、技能、素养要求,认真做好赛项策划及组织管理工作。
四、竞赛内容
(一)赛项涵盖知识、技能、职业素养
本赛项包含园林景观设计与施工图设计两项工作任务。考核内容涵盖园林景观设计、施工图设计等方面的知识和技能。要求选手掌握园林制图规范、具备创新设计理念、熟练操作绘图软件、安排工作流程,团队成员具有协作精神、劳动精神、工匠精神。
(二)比赛时长、竞赛内容组成
参赛选手主要为职业院校在籍学生及“一带一路”沿线国家院校学习中文的外籍学生,每个参赛组由2位选手组成,采取现场比赛方式。
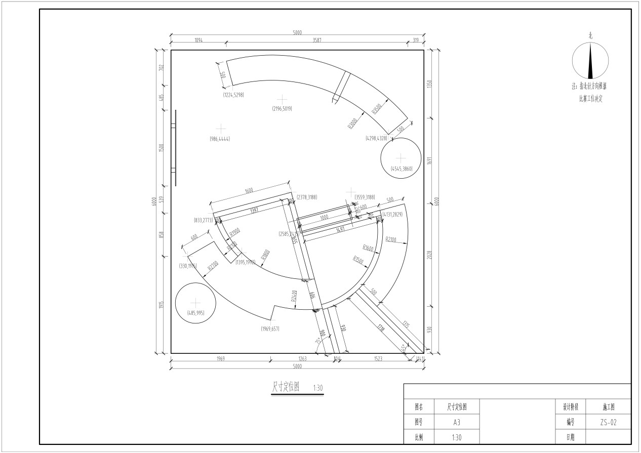
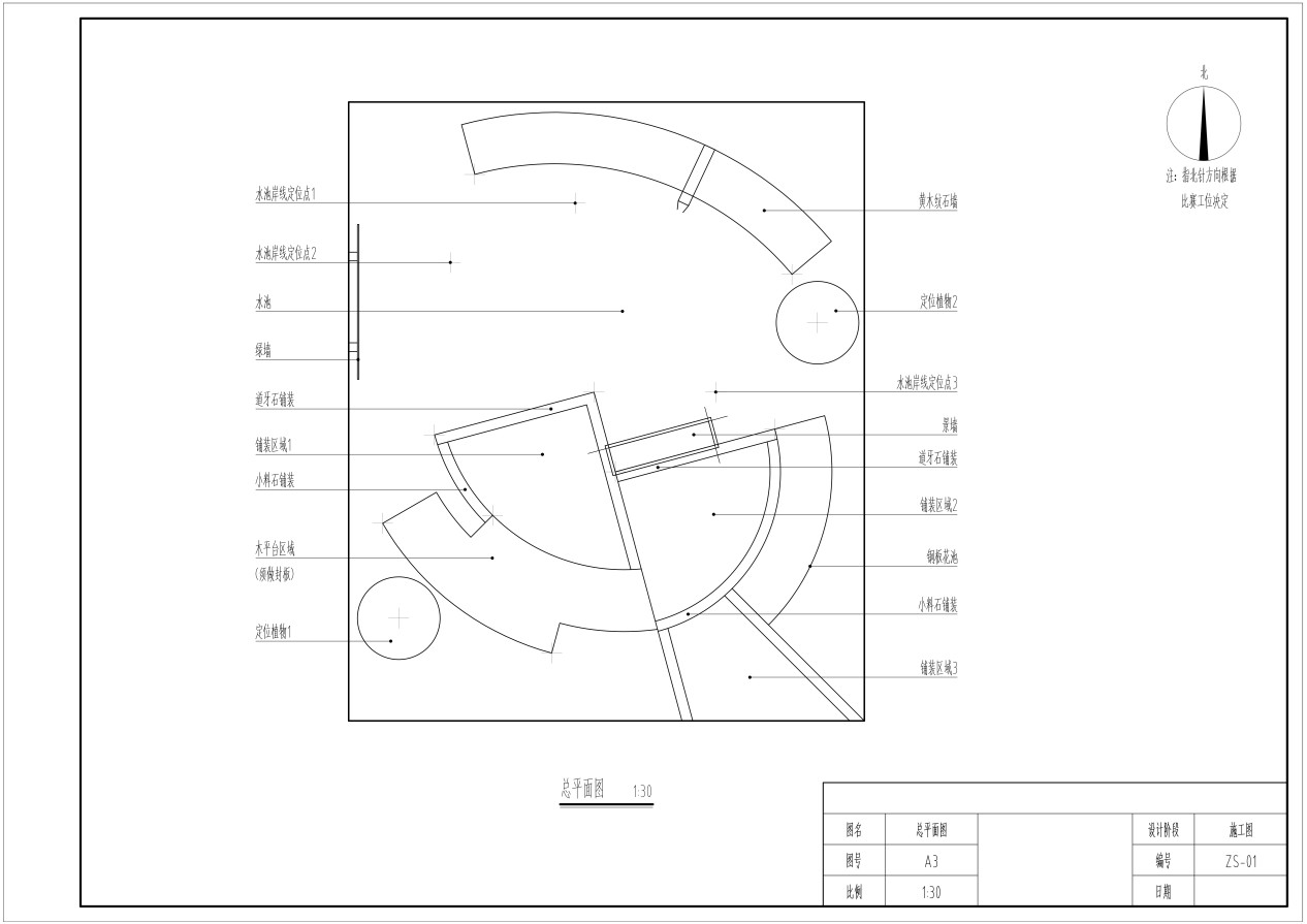
比赛内容为“丝韵锦绣园”主题微花园景观设计。选手根据指定的环境、材料在4小时内完成规定的5m×6m微花园景观设计效果图和施工图。
(三)成绩比例
总成绩(100分)
总成绩由图纸输出、设计能力、施工图纸、彩色平面图四部分组成。彩色平面图或施工图未完成的情况将根据完成进度乘以相应的系数,如完成80%,则最终成绩=总成绩×80%。
五、竞赛方式
(一)报名资格
参赛选手须为园林技术、园林工程技术、风景园林设计、建筑工程技术、环境艺术设计、园艺技术等相关专业的高职、本科及中职学校全日制在籍学生,以及“一带一路”沿线国家院校学习中文的外籍学生。
(二)组队要求
1.比赛以团队方式进行,每组参赛学生2名,不得跨校组队,同一学校报名参赛队不超过2组。竞赛选手以PDF格式上报后不得更换。
2.每队限报2名指导教师,指导教师须为本校专任教师。
六、竞赛流程
所有参赛代表队在规定时间内同时进行比赛。
时间:4小时。具体安排见表1:
表 1 竞赛时间安排
时间 | 地点 | 内容 | |
上午 | 8:30-10:00 | 旧综合楼南楼316 | 领队、指导老师、选手等报到。 |
10:00-11:00 | 智慧教室
| 选手培训会(10:00-10:30,选手熟悉设计赛场。10:30-11:00,选手培训、抽签顺序号) | |
下午 | 13:00-13:10 | 智慧教室 | 选手抽签(抽签工位号) |
13:10-13:30 | 检录区 | 工作人员检查选手证件,选手进入比赛场地并就位;裁判组成员进入赛场。 | |
13:30-17:30 | 设计赛场 | 设计比赛时间(不设中场休息时间) | |
17:30- | 裁判室 | 裁判打分 | |
七、竞赛赛卷
竞赛试题:
选手根据提供的总平面图,完善场地内未进行设计的留白区域,自行设计完成一个尺度适宜、功能合理的微花园景观方案,并完善总平面布置图、尺寸标注平面图、竖向设计平面图。根据规程中的材料清单,至少完成种植设计平面图、部分施工详图,以及一张彩色平面图,并按要求输出图纸,具体要求见下面说明,尤其请仔细阅读设计图纸组成:
1.设计要求
设计不能改变试题中硬质景观的位置、尺寸及标高,根据提供的图纸和材料清单,合理运用地形、水体、植物等,构思新颖,具有独创性、经济性和可行性。硬质景观材料从给定的材料中根据需要选择。图面表达清晰美观并符合制图规范,设计应符合国家现行相关法律法规。
2.设计图纸组成
至少包括以下内容:
(1)封面、目录、设计说明;
(2)总平面布置图、尺寸标注图、竖向设计图;
(3)种植设计平面图、施工详图;
(4)彩色平面图1张。
以及其他可表现设计内容的图纸。
3.图纸输出和提交要求
选手最终将1个dwg格式的文件、1个psd格式的文件、1个pdf格式的文件保存在1个文件夹里并压缩后提交。
“工位号(赛号).dwg”文件为全套施工图,图纸选用A3图幅,图框自行设计,自定比例和图纸数量,选手设计完成后使用布局排版,所有图纸排在一个布局里,按图号顺序从左向右、从上向下依次排列。“工位号.psd”文件内容为彩色平面效果图,A3图幅,模式CMYK颜色,分辨率300PPI。最终将所有设计成果合并到名称为“工位号.pdf”的一个PDF文件。
比赛结束后将压缩文件上传到指定存储介质。作品不得出现任何反映作者、指导老师及学校的相关信息,违者将取消比赛资格。
4.设计题目图纸



八、竞赛规则
1.参赛选手必须持本人身份证、学生证、参赛证并且购买意外伤害险参加比赛。
2.参赛选手和指导教师报名获得确认后不得随意更换。如比赛前参赛选手和指导教师因故无法参赛,须由参赛学校于本赛项开赛7个工作日之前出具书面说明,经大赛执委会办公室核实后予以更换。竞赛开始后,参赛队不得更换参赛队员,允许队员缺席比赛。
3.参赛选手出场顺序、位置、比赛所用工具等均由抽签决定,不得擅自变更、调整。
4.参赛选手提前15分钟检录进入赛场,并按照指定工位号参加比赛。迟到15分钟者,取消比赛资格;比赛开始15分钟后,选手方可离开赛场。
5.选手进入赛场后须检查比赛工具、设备和材料是否齐全,如有疑问向裁判询问。
6.选手在竞赛过程中不得擅自离开赛场,如有特殊情况,需经裁判同意,选手若需休息、饮水或去洗手间等,耗用时间计算在比赛时间内。
7.比赛在规定时间结束时,参赛选手应立即停止操作,不得以任何理由拖延比赛时间。
九、技术规范及平台
1.按照教育部高职园林技术、风景园林设计、环境艺术设计、建筑工程技术、园林工程技术、园艺技术等相关专业教学基本要求,设计图中的图例按照《风景园林制图标准》(CJJT67-2015)绘制。
2.设计比赛应用软件:Windows7操作系统、AutoCAD中文版、悟空图像、Photoshop、SketchUp、Lumion以及Office等计算机应用软件。
十、成绩评定
(一)裁判组构成
裁判员共9人,其中裁判长1名,加密裁判1名,裁判长、加密裁判不打分;评分裁判7名,应具备且熟悉园林景观设计、施工管理、园林绿化养护等技能,且每个类别裁判人数分别不少于 3 名。所有裁判由竞赛执委会按规定随机抽取产生。
(二)评分办法
成绩评定以选手提交的电子图成果为主,裁判依据设计评分标准(附件1)对选手提交的“封面”“图纸目录”“设计说明”“总平面布置图”“总平面尺寸标注图”“总平面竖向设计图”“种植设计平面图”“施工详图”和“彩色平面图”等分别进行打分。
十一、赛项安全
1.赛场内的器材、设备,应符合国家有关安全规定。如有必要,也可进行赛场仿真模拟测试,以发现可能出现的问题。
2.比赛现场内应参照相关职业岗位的要求为选手提供必要的劳动保护。
3.参赛选手进入赛场、赛事裁判工作人员进入工作场所,严禁携带通讯、照相摄录设备,禁止携带记录用具。如确有需要,由赛场统一配置、统一管理。
十二、竞赛须知
(一)参赛队须知
1.参赛队员必须购买意外保险,并于报道日将相关证明交于主办方工作人员
2.本赛项为团体赛。选手参加竞赛的工位号将通过抽签决定,参赛选手出场顺序、位置、比赛所用工具等均由抽签决定,不得擅自变更、调整。
3.比赛以团队方式进行,每队参赛学生2名,不得跨校组队,同一学校报名参赛队不超过两队。参赛选手和指导教师报名获得确认后不得随意更换。如比赛前参赛选手和指导教师因故无法参赛,须由参赛学校于本赛项开赛7个工作日之前出具书面说明,经大赛执委会办公室核实后予以更换。竞赛开始后,参赛队不得更换参赛队员,允许队员缺席比赛。
4.参赛队对大赛执委会发布的所有文件都要仔细阅读,确切了解大赛时间安排、评判细节等,以保证顺利参加大赛。
5.参赛队按照赛项赛程安排,凭赛项组委会颁发的参赛证和有效身份证件参加竞赛及相关活动。
6.对于本规则没有规定的行为,裁判组有权做出裁决。在有争议的情况下,裁判的裁决是最终裁决,任何媒体资料都不做参考。
7.比赛在规定时间结束时,参赛选手应立即停止操作,不得以任何理由拖延比赛时间。
8.本竞赛项目的解释权归大赛组委会。
(二)领队须知
1.每个参赛校可配领队1名,也可由指导教师兼任,负责竞赛的协调工作,并按时参加领队会议。
2.要保证活动安全,带领参赛选手和指导教师做好安全防护等工作。
3.各领队负责带领参赛队指导教师和参赛选手对大赛执委会发布的所有文件都要仔细阅读,确切了解大赛时间安排、评判细节等,以保证顺利参加大赛。
4.各领队负责本参赛队的参赛组织和与大赛的联络,并按时参加领队会议。对申诉的仲裁结果,领队要带头服从和执行,并做好选手工作。参赛选手不得因申诉或对处理意见不服而停止竞赛,否则以弃权处理。
(三)指导教师须知
1.1个参赛队限2名指导教师。指导教师经报名并通过资格审查后确定,选手和指导教师的对应关系一经确定不得随意变更。
2.做好本单位比赛选手的业务辅导、心理疏导和思想引导工作,对参赛选手及比赛过程报以平和、包容的心态;同共维护竞赛秩序。
3.自觉遵守竞赛规则,尊重和支持裁判工作,不随意进入比赛现场及其他禁止入内的区域,发现违规取消该队参赛资格。
4.当本单位参赛选手对比赛进程中出现异常或疑问,应及时了解情况,客观作出判断,并做好选手的安抚工作,经内部进行协商,认为有必要时可在规定时限内向赛项仲裁工作组反映情况或提出书面仲裁申请。
5.参赛院校指导教师不可作为仲裁组成员。
(四)参赛选手须知
1.参赛选手须为普通高等学校全日制高职在籍学生,全日制中职在籍学生,本科院校全日制在籍学生。
2.参赛选手为园林技术、园林工程技术、风景园林设计、建筑工程技术、环境艺术设计、园艺技术等相关专业学生,以及“一带一路”沿线国家院校学习中文的外籍学生。
3.参赛选手严格遵守赛场规章、操作规程,保证人身及设备安全,接受裁判员的监督和警示,文明竞赛。
4.各参赛队应在竞赛开始前一天规定的时间段进入赛场熟悉环境。
5.参赛选手应持参赛有效证件,按要求到各考核项目指定地点接受检录、抽签决定竞赛工位号等。
6.参赛选手应按要求佩戴相关证件。
7.参赛选手进入赛场,不允许携带任何书籍和其他纸质资料(相关技术资料由赛项执委会统一提供),不允许携带通讯工具和存储设备。现场操作考核项目的操作规程、数据记录纸、签字笔等将由组委会统一提供,现场提供的物品各参赛队可以根据竞赛需要自行选择使用。
8.参赛选手必须在正式比赛前15分钟到检录区报到,报到时应持本人身份证或学生证,并携带(佩戴)大赛组委会签发的参赛证、胸牌。竞赛时,在收到开赛信号前不得启动操作,各参赛选手需在抽签确定的工位上完成相应竞赛项目,严禁作弊行为。比赛期间参赛选手不得离开比赛场地,如有特殊情况,需经裁判人员同意后方可离开,但离开期间的时间一律计算在比赛时间内。
9.竞赛期间,竞赛选手应服从裁判评判,若对裁判评分产生异议,不得与裁判争执、顶撞,但可于规定时限内由领队向竞赛仲裁委员会提出书面仲裁申请;由竞赛仲裁委员会调查核实并处理。
10.比赛期间,参赛选手必须严格遵守赛场纪律,不得在赛场内大声喧哗,不得作弊或弄虚作假;同时,必须严格遵守操作规程,并接受裁判员的监督和警示。若因选手因素造成设备故障或损坏,无法进行比赛,裁判长有权终止该队比赛。
11.在竞赛规定时间结束时各参赛队应立即停止答题或操作,不得以任何理由拖延竞赛时间。参赛队欲提前结束比赛,应向现场裁判员举手示意并记录比赛终止时间,比赛终止后,不得再进行任何与比赛有关的操作。
12.竞赛操作结束时,各参赛队要按照大赛要求和赛题要求提交竞赛材料,按照现场考试要求的名字进行命名,如不符合命名规则,体现学校和选手信息的,该队竞赛成绩将被取消。
(五)工作人员须知
1.工作人员必须服从大赛组委会的安排,认真履行职责,做好大赛服务工作。
2.工作人员要准时到岗,认真检查和核准相关证件。同时安排好领队、指导教师的休息等。
3.若大赛过程中,出现技术问题(包括设备和器材等),工作人员要与赛场技术人员联系,并及时处理。
4.工作人员不得在赛场内接听或打电话,在比赛期间一律关闭手机。
5.如遇突发事件,要及时向大赛组委会报告,同时做好疏导工作,避免重大事故的发生,确保大赛顺利进行。
6.违反规定,给竞赛带来恶劣影响或造成严重损失的,将给予必要的处理。
十三、申诉与仲裁
本赛项在比赛过程中若出现有失公正或有关人员违规等现象,代表队领队可在成绩公布后2小时之内向仲裁组提出书面申诉。书面申诉应对申诉事件的现象、发生时间、涉及人员、申诉依据等进行充分、实事求是的叙述,并由领队亲笔签名。非书面申诉不予受理。赛项仲裁工作组在接到申诉后的2小时内组织复议,并及时反馈复议结果。赛区仲裁委员会的仲裁结果为最终结果。
十四、赛场预案
(一)电源保障预案
竞赛过程中赛场出现设备断电、故障等意外时,裁判需及时确认情况,安排技术人员进行处理,裁判登记详细情况,填写补时登记表,报裁判长批准后,可安排延长补足相应选手的比赛时间。
(二)医疗及安全预案
1.赛场内设置医疗救护区,竞赛期间,配备专业医务人员和设备,做好医疗应急准备。
2.赛场内预留安全疏散通道,配备完备的消防等应急处理设施,张贴安全操作及健康要求方面的规定,以及现场紧急疏散指示图,赛场安排专人负责现场紧急疏导工作。
十五、奖项设定
本赛项根据参赛学生(队)总数,按照一等奖10%、二等奖25%、三等奖35%的比例分设一等奖、二等奖、三等奖。本次大赛对在国内和国外赛场比赛中成绩最佳的选手(队)额外颁发“未来工匠”奖。获奖成绩按照小数点后四舍五入计算。同时,大赛组委会面向指导教师、工作人员、学校以及合作企业设“指导教师奖”“特殊贡献个人奖”“特殊贡献院校奖”“优秀组织奖”和“优秀合作企业奖”若干项,获奖者由大赛主办单位联合颁发荣誉证书。
十六、比赛筹备处
通讯地址:北京市房山区长阳镇稻田南里5号
邮 编:102442
赛项负责人:于玲18811589223
赛项联系人:杨易15011389350
Email:90154@bvca.edu.cn
十七、其他
比赛经费由承办单位筹集。比赛期间的场地和午餐由承办院校提供,交通、住宿安排和费用由参赛院校自行解决,比赛期间各参赛院校须为每位参赛选手办理意外伤害险。
十九、附件内容